Peerless Forward Reverse Three Phase Motor Wiring Diagram Hot Neutral Gfci

Forward And Reverse Motor Starter Wiring Diagram Elec Eng World Electrical Circuit Diagram Circuit Diagram Electrical Diagram
Forward And Reverse Motor Starter Wiring Diagram Elec Eng World Electrical Circuit Diagram Circuit Diagram Electrical Diagram

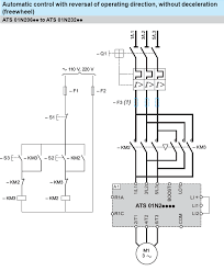
A wiring diagram generally provides info about the relative position and also plan of tools as well as. 2 normally open push button used. No normally open. 3 phase motor a1 a2 95 reset l1 l2 l3 common control separate control 1 3 5 t1 t2 t3 t1 t2 t3 96 97 98 3 2 ìc remote pilot devices 2 wire control 3 wire control start stop 3 2 1 1 3 not for use with auto reset ol relays. In the diagram you can see motor main wiring and control circuit wiring. From the 2nd thermal overload relay normal close contacts the supply goes to both contactors coil contacts terminals. In the above 3 phase motor forward reverse wiring diagram. Saved by oliver oli. A normally close push button shown which used for switch off the motor or to stop the motor. 2 4 6 m 1 ol 3 phase motor a1 a2 remove wire c when it is supplied.

2 normally open push button used.

People also love these ideas. The first step is to figure out the voltage of your phases. From the 2nd thermal overload relay normal close contacts the supply goes to both contactors coil contacts terminals. Leanrn engineering little tips tricks. Ere i have a complete wiring diagram of 3 phase motor forward and reverse. It reveals the components of the circuit as simplified forms as well as the power as well as signal links in between the tools.


In the event of an overload both motor starter output coils will be dropped from the circuit because the plc s output to both starters will be off. Connect separate control lines to the no. In the above 3 phase motor forward reverse wiring diagram. 2 4 6 m 1 ol 3 phase motor a1 a2 remove wire c when it is supplied. Nc normally close. Two magnetic contactors shown and also induction motor connection shown. Figure 5 forward reverse motor wiring diagram. A normally close push button shown which used for switch off the motor or to stop the motor. Variety of single phase motor wiring diagram forward reverse. Ere i have a complete wiring diagram of 3 phase motor forward and reverse.


In the above 3 phase motor forward reverse wiring diagram. A wiring diagram is a simplified conventional pictorial representation of an electrical circuit. 2 normally open push button used. That being said there is a wide range of different motors and what you have on hand can be completely different. It reveals the components of the circuit as simplified forms as well as the power as well as signal links in between the tools. Forward reverse three phase motor wiring diagram. Forward reverse three phase motor wiring diagram. And connect to both magnetic contactors a1 a1 terminals. Three phase motor connection star delta y δ reverse and forward with timer power control diagram as we have already shared the starting method of three phase motor by star delta starter with timer circuit power and control circuits. People also love these ideas.


That being said there is a wide range of different motors and what you have on hand can be completely different. In the event of an overload both motor starter output coils will be dropped from the circuit because the plc s output to both starters will be off. People also love these ideas. Leanrn engineering little tips tricks. Variety of single phase motor wiring diagram forward reverse. Now in the below diagrams three phase motor will rotate in two directions viz forward and reverse. The neutral wire first goes to the thermal overload relay nc contacts and to the light indicator. Make sure that the voltage you will be supplying to. A normally close push button shown which used for switch off the motor or to stop the motor. A wiring diagram is a simplified conventional pictorial representation of an electrical circuit.


It reveals the components of the circuit as simplified forms as well as the power as well as signal links in between the tools. The overload contacts are connected to l1 on one side and to the plc s input module on the other input 003. Now in the below diagrams three phase motor will rotate in two directions viz forward and reverse. Leanrn engineering little tips tricks. A wiring diagram generally provides info about the relative position and also plan of tools as well as. In the event of an overload both motor starter output coils will be dropped from the circuit because the plc s output to both starters will be off. People also love these ideas. The first step is to figure out the voltage of your phases. From the 2nd thermal overload relay normal close contacts the supply goes to both contactors coil contacts terminals. No normally open.


In this wiring diagram both the forward and reverse coils have their returns connected to l2 and not to the overload contacts. Ere i have a complete wiring diagram of 3 phase motor forward and reverse. The 3 pole mccb circuit breaker connection shown. In the event of an overload both motor starter output coils will be dropped from the circuit because the plc s output to both starters will be off. Now in the below diagrams three phase motor will rotate in two directions viz forward and reverse. Leanrn engineering little tips tricks. In the above 3 phase motor forward reverse wiring diagram. A three phase motor must be wired based on the diagram on the faceplate. A wiring diagram is a simplified conventional pictorial representation of an electrical circuit. From the 2nd thermal overload relay normal close contacts the supply goes to both contactors coil contacts terminals.